24VDC Permanent Magnet Motor- Load Thrust up to 500N, Pull up to 500N
- Color: Black
- Protection Class: IP65
- Noise Level: ≤55 dB (Ambient Noise Level <30 dB)
- Built-in End-stop Signal
- Corrosion Resistance Neutral Salt Spray Test: ≥96 Hours
- Explosion-Proof IECEx Certification: Ex db IIC T4 Gb
Specifications
| Push Force (N) | 500 |
| Pull Force (N) | 500 |
| Load Speed (mm/s) | 8±10% |
| Max. Static Load (N) | 1,000 |
| Noise Level | ≤55 db (ambient noise ≤30dB) |
| Stroke Length (mm) | 20 ~ 300 |
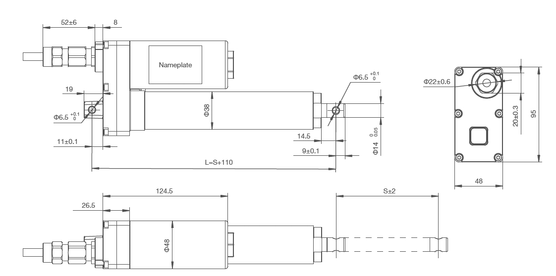
| Installation Dimensions (mm) | L = S + 110 |
| Protection Class | IP65 |
| Salt Spray Test | 96 Hours |
| Operating Temperature (°C) | -40°C ~ 60°C |
| Storage Temperature (°C) | -40°C ~ 105°C |
| Voltage (V) | 24 |
| Duty Cycle | 15% |
| Signal Feedback | End-stop Signal |
Dimensions
Downloads
Catalog Download: JC35FA17 Actuator Catalog.pdf
2D Drawing: JC35FA17 2D Drawing.pdf
3D Model Downloads:

